Potmagneten cilindrisch
Zoekresultaten
Uw resultaten in: pagina's, producten en documenten
Scrol om alles te zien. Heeft u niet gevonden wat u zocht? Probeer een andere zoekterm of neem contact met ons op.
Geen resultaten gevonden
-
{{filter.Description}}
({{filter.UOMDescription}})
Geen resultaten gevonden
Uw resultaten in: pagina's, producten en documenten
Scrol om alles te zien. Heeft u niet gevonden wat u zocht? Probeer een andere zoekterm of neem contact met ons op.
Neodymium potmagneten
Samenstelling en opbouw NdFeb potmagneten
Deze super sterke potmagneten zijn opgebouwd uit de legering Neodymium-IJzer-Borium - NdFeB, bij Goudsmit bekend onder de merknaam Neoflux®. De mantel - of pot - zorgt voor magnetische afscherming. Goudsmit levert neodymium potmagneten met een mantel van messing of staal. Het hechtvlak is voorzien van een beschermende laklaag om corrosie te voorkomen.

Magnetische kortsluiting
Om hechtkrachtverlies door magnetische kortsluiting te voorkomen, mogen neodymium magneten met een mantel van messing niet rechtstreeks in staal geperst worden. Houd altijd een minimale afstand tussen de messing mantel van de potmagneet en het staal. Neem voor advies contact op met onze experts, zij helpen u graag.
Bewerken van de magneet zonder verlies van trekkracht
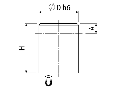
De magneetsterkte blijft gelijk bij inkorten van het magneetsysteem tot een maximale waarde A. Zie hiervoor de opgegeven waarde bij het betreffende artikel.

Gebruikstemperatuur en magneetkrachtverlies
Neodymium cilindrische en vlakke potmagneten hebben een gebruikstemperatuur tot maximaal 80 °C. Bij verhitting tot deze temperatuur vermindert de magneetkracht van 15 tot 20%. Dit is niet blijvend en herstelt zich wanneer de magneet weer terugkomt in de normale omgevingstemperatuur.
Door externe magnetische velden kan ook magneetkrachtverlies optreden. Een luchtspleet of niet-magnetische materialen die zich tussen magneet en werkstuk bevinden zorgen voor een afname van de trekkracht.

Samarium-kobalt potmagneten
Samenstelling en opbouw SmCo potmagneten
Op een na sterkste magneetsoort. Samarium-Kobalt potmagneten bieden de unieke combinatie van hoge magneetkracht en hoge gebruikstemperatuur. Deze super sterke potmagneten zijn opgebouwd uit de legering samarium en kobalt. De magneetkracht bij kamertemperatuur is 5x hoger dan ferriet potmagneten.
Samarium kobalt potmagneten zijn na Neoflux® potmagneten de sterkste wij in ons assortiment hebben.
Inbouwen en demagnetisatie
Samarium kobalt potmagneten zijn zeer stabiel en laten zich in een sterk wisselstroom-veld moeilijk demagnetiseren. De stalen pot biedt geen magnetische afscherming. Daarom mogen deze potmagneten niet zonder meer ingebouwd worden in stalen onderdelen. De afstand tussen het stalen onderdeel en de samarium kobalt potmagneet dient 1,5 tot 6 mm te bedragen, afhankelijk van de grootte van de potmagneet.
Bewerken van de magneet zonder verlies van trekkracht
De magneetsterkte blijft gelijk bij inkorten van het magneetsysteem tot een maximale waarde A. Zie hiervoor de opgegeven waarde bij het betreffende artikel.
Gebruikstemperatuur en magneetkrachtverlies
Samarium kobalt potmagneten hebben een gebruikstemperatuur tot maximaal 200 °C. Bij verhitting tot deze temperatuur treedt een magneetkrachtverlies op van 15 tot 20%. Dit is niet blijvend en herstelt zich wanneer de magneet weer terugkomt in de normale omgevingstemperatuur.
Door externe magnetische velden kan ook magneetkrachtverlies optreden. Een luchtspleet of niet-magnetische materialen die zich tussen magneet en werkstuk bevinden zorgen voor een afname van de trekkracht.

AlNiCo potmagneten
Samenstelling en opbouw AlNiCo potmagneten
AlNiCo potmagneten zijn opgebouwd uit de legering aluminium, nikkel en kobalt. Ze zijn omhuld door een stalen pot waartussen een niet-magnetiseerbare grondstof - messing of aluminium - is aangebracht.
Alnico potmagneten roesten niet en zijn zeer geschikt voor gebruik bij hoge temperaturen.
Bewerken van de magneet zonder verlies van trekkracht
De magneetsterkte blijft gelijk bij inkorten van het magneetsysteem tot een maximale waarde A. Zie hiervoor de opgegeven waarde bij het betreffende artikel.
Gebruikstemperatuur en magneetkrachtverlies
AlNiCo potmagneten hebben een zeer hoge werktemperatuur tot 450 °C. Bij verhitting tot deze temperatuur treedt een magneetkrachtverlies op van 30 tot 40%. Dit is niet blijvend en herstelt zich wanneer de potmagneet weer afgekoeld is tot kamertemperatuur.
Door externe magnetische velden kan ook magneetkrachtverlies optreden. Een luchtspleet of niet-magnetische materialen die zich tussen magneet en werkstuk bevinden zorgen voor een afname van de trekkracht.

Compacte cilindrische magneetsystemen met een mantel van staal. Deze potmagneten zijn geschikt voor inlijmen, inpersen en inkrimpen. Het oppervlak is aan beide zijden machinaal te bewerken. De vorm en de hechtkracht van het magneetvlak is aan te passen. Cilindrische potmagneten zijn zeer slijtvast. Door de mantel van deze potmagneten neemt de magnetische veldsterkte toe en zijn ze beter bestand tegen corrosie of chemicaliën.
Potmagneten hebben slechts één aantrekkingsvlak; dit sluit verspreiding van het magneetveld uit. Cilindrische potmagneten zijn leverbaar in diverse afmetingen en soorten zoals neodymium, samarium-kobalt en AlNiCo.
De aangegeven houdkrachten zijn onder optimale omstandigheden gemeten: loodrecht, op een vlak geslepen stuk staal 37 met een dikte van 5 mm, zonder luchtspleet.